ఉత్పత్తులు
GB ప్రామాణిక గ్లోబ్ వాల్వ్
  • GB ప్రామాణిక గ్లోబ్ వాల్వ్GB ప్రామాణిక గ్లోబ్ వాల్వ్

GB ప్రామాణిక గ్లోబ్ వాల్వ్

అధిక నాణ్యత మరియు అనుకూలీకరించిన J41H, J41Y మరియు J41W రకం GB ప్రామాణిక గ్లోబ్ వాల్వ్‌లను చైనాలోని ఒక ప్రొఫెషనల్ వాల్వ్‌ల తయారీదారు JQF వాల్వ్ తయారు చేసింది. వాటి ప్రారంభ మరియు ముగింపు భాగాలు స్థూపాకార వాల్వ్ డిస్క్‌లు, మరియు సీలింగ్ ఉపరితలం ఫ్లాట్ లేదా శంఖాకారంగా ఉంటుంది. వాల్వ్ డిస్క్‌లు ద్రవం మధ్యరేఖ వెంట సరళంగా కదులుతాయి. GB స్టాండర్డ్ గ్లోబ్ వాల్వ్‌లు పూర్తిగా ఓపెన్ లేదా పూర్తిగా క్లోజ్డ్ అప్లికేషన్‌లకు మాత్రమే సరిపోతాయి మరియు సాధారణంగా ఫ్లో రెగ్యులేషన్ కోసం ఉపయోగించబడవు, అయితే కస్టమర్ అవసరాలకు అనుగుణంగా ఫ్లో రెగ్యులేషన్ మరియు థ్రోట్లింగ్ చేయవచ్చు.
Foshan Jinqiu Valve Co., Ltd. is a manufacturing factory integrating valve R&D, manufacturing, sales, and service. Our durable GB standard globe valves are specifically designed for oxygen pipelines, ensuring safe, stable, and efficient operation. Made from high-quality materials and undergoing rigorous degreasing and cleaning processes, these valves effectively prevent combustion risks and guarantee reliable sealing performance.

స్టాక్‌లో ఉన్న GB స్టాండర్డ్ గ్లోబ్ వాల్వ్ PN1.6-PN16 మరియు DN15-DN400 పరిమాణాల పీడన శ్రేణులకు అనుకూలంగా ఉంటుంది, అవి ఎల్లప్పుడూ మెటలర్జీ, రసాయన, వైద్య వాయువు మరియు శక్తి పరిశ్రమలలో ఉపయోగించబడతాయి.

నిర్మాణ లక్షణాలు

మేము దాని అధిక-నాణ్యత GB ప్రామాణిక గ్లోబ్ వాల్వ్‌లు మరియు అత్యుత్తమ కస్టమర్ సేవతో సమయానికి అనుగుణంగా నిరంతరంగా ఆవిష్కరిస్తాము మరియు శ్రేష్ఠతను కొనసాగిస్తాము! మేము అధునాతన పరికరాలు, ఎంటర్‌ప్రైజ్ మేనేజ్‌మెంట్ మరియు సాంకేతిక సేవా సిబ్బందిని చురుకుగా పరిచయం చేస్తున్నాము, అధిక-నాణ్యత దేశీయ మరియు అంతర్జాతీయ వాల్వ్ బ్రాండ్‌ను రూపొందించడానికి ప్రయత్నిస్తాము. మేము కొత్త మరియు పాత కస్టమర్‌లను మా సౌకర్యాలను సందర్శించి, తనిఖీ చేయడానికి, పరస్పర ప్రయోజనం కోసం సహకరించుకోవడానికి మరియు ఉమ్మడిగా మెరుగైన భవిష్యత్తును సృష్టించుకోవడానికి మేము స్వాగతం!

ఎగ్జిక్యూటివ్ స్టాండర్డ్

డిజైన్ లక్షణాలు: GB / T 12235
నిర్మాణ పొడవు: GB / T 12221
ఫ్లేంజ్ కనెక్షన్: JB / T 79
పరీక్ష మరియు తనిఖీ: JB / T 9002
ఉత్పత్తి గుర్తింపు: GB / T 12220
డెలివరీ లక్షణాలు: JB / T 7928

ఫీచర్లు

1. స్ట్రీమ్‌లైన్డ్ మరియు ఆప్టిమైజ్డ్ స్ట్రక్చర్: ఒక సరళీకృత డిజైన్ కాంపోనెంట్ తయారీ మరియు పరికరాల నిర్వహణ సామర్థ్యాన్ని 30% మెరుగుపరుస్తుంది. 2. తక్షణ ప్రారంభ మరియు ముగింపు నియంత్రణ: మైక్రో-స్ట్రోక్ నిర్మాణ రూపకల్పన ప్రతి చక్రానికి 0.8 సెకన్ల ప్రారంభ మరియు ముగింపు ప్రతిస్పందన వేగాన్ని సాధిస్తుంది. 3. లాంగ్-లాస్టింగ్ సీలింగ్ సిస్టమ్: సెల్ఫ్ లూబ్రికేటింగ్ సీలింగ్ ఉపరితల సాంకేతికత ఘర్షణ యొక్క అల్ట్రా-తక్కువ గుణకాన్ని సాధిస్తుంది; కాంపోజిట్ సీలింగ్ లేయర్ 50,000 ఓపెనింగ్ మరియు క్లోజింగ్ సైకిల్స్‌కు మించిన యాంటీ ఏజింగ్ లైఫ్‌స్పాన్‌ను కలిగి ఉంది.

పనితీరు పారామితులు

మోడల్ J41H-16C~160C J41Y-16C~160C J41W-16P~160P
పని ఒత్తిడి (MPa) 1.6-16.0
సరైన ఉష్ణోగ్రత (℃) ≤425 ≤150
తగిన మీడియా నీరు, ఆవిరి, నూనె బలహీనమైన తినివేయు మాధ్యమం
పదార్థం శరీరం, బోనెట్ కార్బన్ స్టీల్ Chrome నికెల్-టైటానియం స్టెయిన్లెస్ స్టీల్
వాల్వ్ కాండం Chrome స్టెయిన్లెస్ స్టీల్ Chrome నికెల్-టైటానియం స్టెయిన్లెస్ స్టీల్
సీలింగ్ ఉపరితలం ఉపరితలంపై ఇనుము ఆధారిత మిశ్రమాలు గట్టిపడే మిశ్రమం శరీర పదార్థం
పూరక ఆస్బెస్టాస్ గ్రాఫైట్, ఫ్లెక్సిబుల్ గ్రాఫైట్, PTFE

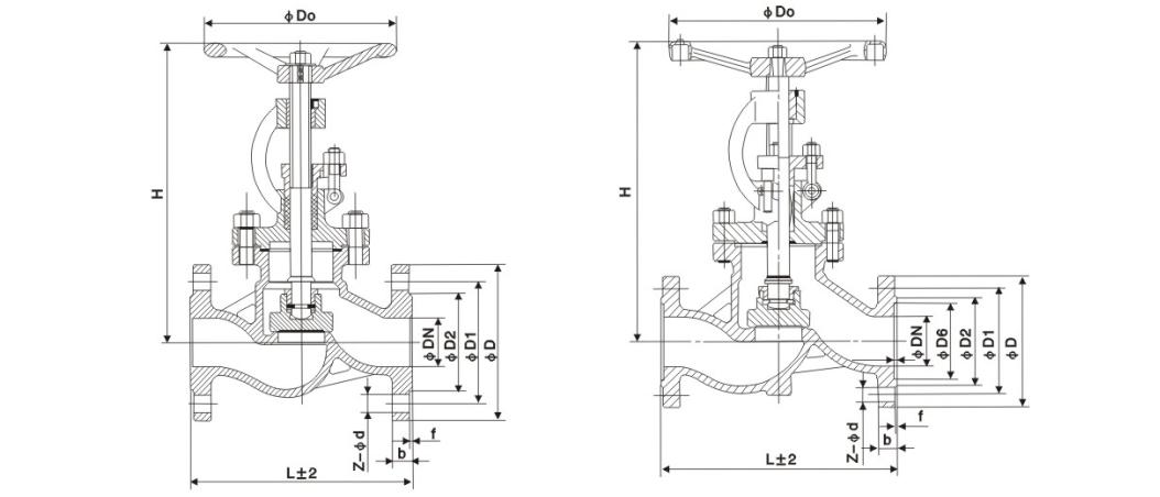
ప్రధాన ఆకారం మరియు కనెక్షన్ పరిమాణం

నామమాత్రపు వ్యాసం ప్రధాన కొలతలు మరియు కనెక్షన్ కొలతలు
L D D1 D2 b Z-d H D0
J41H-16C
15 130 95 65 45 14-2 4-Φ14 170 120
20 150 105 75 55 14-2 4-Φ14 190 140
25 160 115 85 65 14-2 4-Φ14 205 160
32 180 135 100 78 16-2 4-Φ18 270 180
40 200 145 110 85 16-3 4-Φ18 310 200
50 230 160 125 100 16-3 4-Φ18 358 240
65 290 180 145 120 18-3 4-Φ18 373 240
80 310 195 160 135 20-3 8-Φ18 435 280
100 350 215 180 155 20-3 8-Φ18 500 300
125 400 245 210 185 22-3 8-Φ18 614 320
150 480 280 240 210 24-3 8-Φ23 674 360
200 600 335 295 265 26-3 12-Φ23 811 400
250 650 405 355 320 30-3 12-Φ25 969 450
300 750 460 410 375 30-3 12-Φ25 1145 580
350 850 520 470 435 34-4 16-Φ25 1280 640
400 980 580 525 485 36-4 16-Φ30 1452 640
J41H-25C
15 130 95 65 45 16-2 4-Φ14 170 120
20 150 105 75 55 16-2 4-Φ14 190 140
25 160 115 85 65 16-2 4-Φ14 205 160
32 180 135 100 78 18-2 4-Φ18 270 180
40 200 145 110 85 18-3 4-Φ18 310 200
50 230 160 125 100 20-3 4-Φ18 358 240
65 290 180 145 120 22-3 8-Φ18 373 240
80 310 195 160 135 22-3 8-Φ18 435 280
100 350 230 190 160 24-3 8-Φ23 500 300
125 400 270 220 188 28-3 8-Φ25 614 320
150 480 300 250 218 30-3 8-Φ25 674 360
200 600 360 310 278 34-3 12-Φ25 811 400
250 650 425 370 332 36-3 12-Φ30 969 450
300 750 485 430 390 40-4 16-Φ30 1145 580
350 850 550 490 448 44-4 16-Φ34 1280 640
400 980 610 550 505 48-4 16-Φ34 1452 640

నిర్మాణ చిత్రం

హాట్ ట్యాగ్‌లు: GB స్టాండర్డ్ గ్లోబ్ వాల్వ్, చైనా, అనుకూలీకరించిన, నాణ్యత, మన్నికైన, అధునాతన, తయారీదారు, సరఫరాదారు, ఫ్యాక్టరీ, స్టాక్‌లో
విచారణ పంపండి
సంప్రదింపు సమాచారం
  • చిరునామా

    No.1, నార్త్ 1వ రోడ్, స్టెయిన్‌లెస్ స్టీల్ న్యూ టౌన్, లెకాంగ్ స్టీల్ వరల్డ్ వెస్ట్ రోడ్, షుండే డిస్ట్రిక్ట్, ఫోషన్ సిటీ, గ్వాంగ్‌డాంగ్ ప్రావిన్స్, చైనా

  • ఇ-మెయిల్

    jinqiufamen@gmail.com

గేట్ వాల్వ్‌లు, గ్లోబ్ వాల్వ్‌లు మరియు చెక్ వాల్వ్‌లు లేదా ధరల జాబితా గురించిన విచారణల కోసం, దయచేసి మీ ఇమెయిల్‌ను మాకు పంపండి మరియు మేము 24 గంటలలోపు టచ్‌లో ఉంటాము.

X
మీకు మెరుగైన బ్రౌజింగ్ అనుభవాన్ని అందించడానికి, సైట్ ట్రాఫిక్‌ను విశ్లేషించడానికి మరియు కంటెంట్‌ను వ్యక్తిగతీకరించడానికి మేము కుక్కీలను ఉపయోగిస్తాము. ఈ సైట్‌ని ఉపయోగించడం ద్వారా, మీరు మా కుక్కీల వినియోగానికి అంగీకరిస్తున్నారు. గోప్యతా విధానం
తిరస్కరించు అంగీకరించు