ఉత్పత్తులు
తారాగణం స్టీల్ చెక్ వాల్వ్
  • తారాగణం స్టీల్ చెక్ వాల్వ్తారాగణం స్టీల్ చెక్ వాల్వ్

తారాగణం స్టీల్ చెక్ వాల్వ్

Jinqiu వాల్వ్ అధిక నాణ్యత గల కాస్ట్ స్టీల్ చెక్ వాల్వ్‌లను తయారు చేస్తుంది, ఇవి మీడియం యొక్క ప్రవాహ పీడనం ఆధారంగా స్వయంచాలకంగా తెరుచుకుంటాయి మరియు మాధ్యమం వెనుకకు ప్రవహించినప్పుడు గురుత్వాకర్షణ లేదా వెనుక పీడనం ద్వారా స్వయంచాలకంగా మూసివేయబడే ఆటోమేటిక్ వాల్వ్‌లు. ఈ కవాటాలు వివిధ పారిశ్రామిక పైప్‌లైన్‌లకు అనుకూలంగా ఉంటాయి, సాధారణంగా తారాగణం ఉక్కుతో తయారు చేయబడతాయి మరియు వివిధ రకాల మీడియా మరియు ఉష్ణోగ్రత పరిస్థితులకు వర్తిస్తాయి.

Jinqiu వాల్వ్ ఫ్యాక్టరీ యొక్క మన్నికైన కాస్ట్ స్టీల్ చెక్ వాల్వ్ రెండు వైపులా సుష్టంగా ఉంటుంది, ద్వి దిశాత్మక మీడియా ప్రవాహాన్ని అనుమతిస్తుంది. ఇన్‌స్టాలేషన్ సూటిగా ఉంటుంది, పైప్‌లైన్ దిశను పరిగణనలోకి తీసుకోవలసిన అవసరాన్ని తొలగిస్తుంది మరియు ఆపరేషన్ అనువైనది మరియు సౌకర్యవంతంగా ఉంటుంది. మా ఫ్యాక్టరీ మొదట సమగ్రత మరియు నాణ్యత సూత్రాలకు కట్టుబడి ఉంటుంది. మేము మీ విచారణలను హృదయపూర్వకంగా స్వాగతిస్తున్నాము మరియు మీతో దీర్ఘకాలిక సహకార సంబంధాన్ని ఏర్పరచుకోవాలని ఆశిస్తున్నాము. మేము తయారీలో ప్రయోజనాలను కలిగి ఉన్నాము, అయితే మీకు విక్రయాలలో ప్రయోజనాలు ఉన్నాయి. మేము సహకారం ద్వారా, మేము విజయం-విజయం పరిస్థితిని సాధించగలమని నమ్ముతున్నాము మరియు మేము కలిసి ఎదగాలని ఆశిస్తున్నాము!


1. తక్కువ ద్రవ నిరోధకత: తారాగణం ఉక్కు చెక్ వాల్వ్ యొక్క అంతర్గత మాధ్యమం తక్కువ నిరోధకతతో సరళ రేఖలో ప్రవహిస్తుంది, మృదువైన ద్రవ రవాణా, శక్తి సామర్థ్యం మరియు ఆచరణాత్మకతను సులభతరం చేస్తుంది.
2. తెరవడం మరియు మూసివేయడం సులభం: తారాగణం స్టీల్ చెక్ వాల్వ్ యొక్క గేట్ ద్రవంతో నిలువుగా కదులుతుంది, తెరవడానికి మరియు మూసివేయడానికి కనీస శక్తి అవసరం, ఆపరేషన్‌ను సులభతరం చేయడం మరియు కార్మిక ఖర్చులను ఆదా చేయడం.
3. అనియంత్రిత మధ్యస్థ ప్రవాహ దిశ: తారాగణం ఉక్కు చెక్ వాల్వ్ రెండు వైపులా సుష్టంగా ఉంటుంది, ఇది ద్వి దిశాత్మక మీడియం ప్రవాహాన్ని అనుమతిస్తుంది. సంస్థాపనకు పైప్‌లైన్ ప్రవాహ దిశను పరిగణనలోకి తీసుకోవలసిన అవసరం లేదు, ఇది ఆపరేషన్‌ను అనువైనదిగా మరియు సౌకర్యవంతంగా చేస్తుంది.
4. అద్భుతమైన సీలింగ్ పనితీరు: పూర్తిగా తెరిచినప్పుడు దుస్తులు తక్కువగా ఉంటాయి; మూసివేసినప్పుడు, పీడనం ఒక ముద్రను బలవంతం చేస్తుంది, మీడియం లీకేజీని సమర్థవంతంగా నివారిస్తుంది.

పనితీరు పారామితులు

మోడల్ H44H-16C~2=-0 H44W-16P~250
పని ఒత్తిడి (MPa) 1.6~25
సరైన ఉష్ణోగ్రత (℃) ≤425 ≤550
తగిన మీడియా నీరు, ఆవిరి, నూనె బలహీనమైన తినివేయు మాధ్యమం
పదార్థం శరీరం, బోనెట్, డిస్క్ కార్బన్ స్టీల్ Chrome నికెల్-టైటానియం స్టెయిన్లెస్ స్టీల్
సీలింగ్ ఉపరితలం కార్బన్ స్టీల్ సర్ఫేసింగ్ ఇనుము-ఆధారిత మిశ్రమాలు శరీరం సీలు చేయబడింది

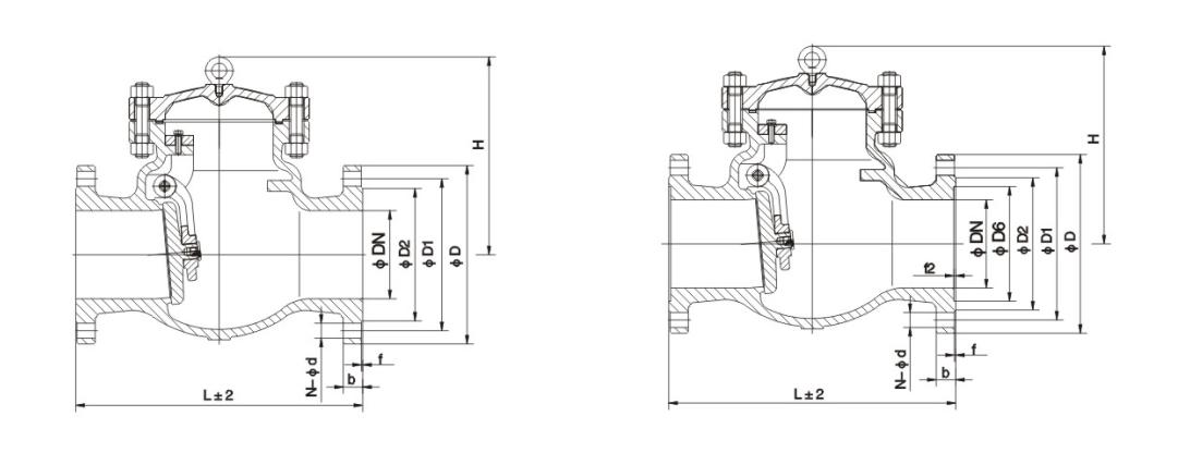
ప్రధాన ఆకారం మరియు కనెక్షన్ కొలతలు

నామమాత్రపు వ్యాసంDN ప్రధాన కొలతలు మరియు కనెక్షన్ కొలతలు
L D D1 D2 b Z-d H
H44H-16C H44W-16C H44W-16P H44W-16R H44W-16I
25 160 115 85 65 16 4-14 100
32 180 135 100 78 16 4-18 105
40 200 145 100 85 16 4-18 115
50 230 160 125 100 16 4-18 135
65 290 180 145 120 18 4-18 142
80 310 195 160 135 20 8-18 165
100 350 215 180 155 20 8-18 180
125 400 245 210 185 22 8-18 210
150 480 280 240 210 24 8-23 233
200 500 335 295 265 26 12-23 304
250 550 405 355 320 30 12-25 348
300 650 460 410 375 30 12-25 390
350 750 520 470 435 34 16-25 430
400 850 580 525 485 36 16-30 468
H44H-25 H44W-25 H44W-25P H44W-25R H44W-25I
25 160 115 85 65 16 4-14 100
32 180 135 100 78 16 4-18 105
40 200 145 110 85 16 4-18 115
50 230 160 125 100 20 4-18 160
65 290 180 145 120 22 8-18 175
80 310 195 160 135 22 8-18 185
100 350 230 190 160 24 8-23 220
125 400 270 220 188 28 8-25 248
150 480 300 250 218 30 8-25 276
200 550 360 310 278 34 12-25 350
250 650 425 370 332 36 12-30 410
300 750 485 430 390 40 16-30 430
350 850 550 490 448 44 16-34 518
400 950 610 550 505 48 16-34 560

నిర్మాణ చిత్రం

హాట్ ట్యాగ్‌లు: కాస్ట్ స్టీల్ చెక్ వాల్వ్, చైనా, అనుకూలీకరించిన, నాణ్యత, మన్నికైన, అధునాతన, తయారీదారు, సరఫరాదారు, ఫ్యాక్టరీ, స్టాక్‌లో ఉంది
విచారణ పంపండి
సంప్రదింపు సమాచారం
  • చిరునామా

    No.1, నార్త్ 1వ రోడ్, స్టెయిన్‌లెస్ స్టీల్ న్యూ టౌన్, లెకాంగ్ స్టీల్ వరల్డ్ వెస్ట్ రోడ్, షుండే డిస్ట్రిక్ట్, ఫోషన్ సిటీ, గ్వాంగ్‌డాంగ్ ప్రావిన్స్, చైనా

  • ఇ-మెయిల్

    jinqiufamen@gmail.com

గేట్ వాల్వ్‌లు, గ్లోబ్ వాల్వ్‌లు మరియు చెక్ వాల్వ్‌లు లేదా ధరల జాబితా గురించిన విచారణల కోసం, దయచేసి మీ ఇమెయిల్‌ను మాకు పంపండి మరియు మేము 24 గంటలలోపు టచ్‌లో ఉంటాము.

వార్తల సిఫార్సులు
X
మీకు మెరుగైన బ్రౌజింగ్ అనుభవాన్ని అందించడానికి, సైట్ ట్రాఫిక్‌ను విశ్లేషించడానికి మరియు కంటెంట్‌ను వ్యక్తిగతీకరించడానికి మేము కుక్కీలను ఉపయోగిస్తాము. ఈ సైట్‌ని ఉపయోగించడం ద్వారా, మీరు మా కుక్కీల వినియోగానికి అంగీకరిస్తున్నారు. గోప్యతా విధానం
తిరస్కరించు అంగీకరించు