ఉత్పత్తులు
స్వింగ్ చెక్ వాల్వ్
  • స్వింగ్ చెక్ వాల్వ్స్వింగ్ చెక్ వాల్వ్

స్వింగ్ చెక్ వాల్వ్

Jinqiu వాల్వ్ నాణ్యమైన స్వింగ్ చెక్ వాల్వ్‌ను తయారు చేస్తుంది, ఆటోమేటిక్ వాల్వ్‌ను వన్-వే వాల్వ్ లేదా చెక్ వాల్వ్ అని కూడా పిలుస్తారు. పైప్‌లైన్‌లోని మాధ్యమాన్ని తిరిగి ప్రవహించకుండా నిరోధించడం, ద్రవం ఒక దిశలో ప్రవహించేలా చేయడం దీని పని. ఇది పైప్‌లైన్ వ్యవస్థను దెబ్బతీసే బ్యాక్‌ఫ్లో (రిటర్న్ ఫ్లో)ను సమర్థవంతంగా నిరోధిస్తుంది. మీడియం తిరిగి ప్రవహించకుండా నిరోధించడానికి మీడియం యొక్క ప్రవాహం మరియు శక్తి ద్వారా వాల్వ్ దాని ప్రారంభ మరియు మూసివేత భాగాలను తెరుస్తుంది లేదా మూసివేస్తుంది.
Jinquan Valve is a high-tech enterprise integrating valve product research, production, sales, and service. As an H44H and H44Y type PN16 ~ PN250 swing check valves supplier, our customized swing check valves are suitable for pressures of 1.6 ~ 25MPa, working temperatures of -29 ~ +550 ℃, and are applicable to pipeline conditions in the petroleum, chemical, pharmaceutical, fertilizer, power industries, and other environments. Applicable media include water, oil, steam, acidic media, and so on. We have been operating in the valve manufacturing field for over twenty years. With our experience, we have won high praise from the market for our reasonable prices, high quality, and attentive service.

1. స్వయంచాలకంగా తెరవడం మరియు మూసివేయడం: మీడియా ప్రవాహం యొక్క శక్తి ఆధారంగా స్వింగ్ చెక్ వాల్వ్ స్వయంచాలకంగా తెరుచుకుంటుంది మరియు మూసివేయబడుతుంది. మీడియా పేర్కొన్న దిశలో ప్రవహించినప్పుడు, వాల్వ్ డిస్క్ తెరిచింది మరియు వాల్వ్ తెరుచుకుంటుంది. మీడియా ప్రవహించడం లేదా బ్యాక్‌ఫ్లోలను ఆపివేసినప్పుడు, వాల్వ్ డిస్క్ దాని స్వంత బరువు లేదా స్ప్రింగ్ ఫోర్స్ కింద మూసివేయబడుతుంది, బ్యాక్‌ఫ్లోను నిరోధిస్తుంది. స్వయంచాలక నియంత్రణను సాధించడం ద్వారా మాన్యువల్ ఆపరేషన్ అవసరం లేదు.
2. విశ్వసనీయ సీలింగ్: వాల్వ్ డిస్క్ మరియు సీటు యొక్క సీలింగ్ ఉపరితలాలు సాధారణంగా వెల్డెడ్ ఐరన్-ఆధారిత మిశ్రమం లేదా స్టెలైట్ కోబాల్ట్-ఆధారిత హార్డ్ మిశ్రమంతో తయారు చేయబడతాయి, ఇది దుస్తులు-నిరోధకత, వేడి-నిరోధకత, తుప్పు-నిరోధకత మరియు మంచి స్క్రాచ్ నిరోధకతను కలిగి ఉంటుంది. ఇది దీర్ఘకాలిక స్థిరమైన సీలింగ్ ప్రభావాన్ని నిర్ధారిస్తుంది మరియు మీడియా లీకేజీని సమర్థవంతంగా నిరోధిస్తుంది. 3. అన్‌బ్స్ట్రక్టెడ్ ఫ్లో ఛానల్: ఫ్లో ఛానల్ హేతుబద్ధంగా రూపొందించబడింది, ఫలితంగా తక్కువ ద్రవం నిరోధకత ఏర్పడుతుంది. మీడియా స్వింగ్ చెక్ వాల్వ్ ద్వారా సజావుగా వెళుతుంది, ఒత్తిడి నష్టం మరియు శక్తి వినియోగాన్ని తగ్గిస్తుంది.

పనితీరు పారామితులు

మోడల్ H44H-16C~250 H44W-16P~250
పని ఒత్తిడి (MPa) 1.6~25
సరైన ఉష్ణోగ్రత (℃) ≤425 ≤550
తగిన మీడియా నీరు, ఆవిరి, నూనె బలహీనమైన తినివేయు మాధ్యమం
పదార్థం శరీరం, బోనెట్, డిస్క్ కార్బన్ స్టీల్ Chrome నికెల్-టైటానియం స్టెయిన్లెస్ స్టీల్
సీలింగ్ ఉపరితలం కార్బన్ స్టీల్ సర్ఫేసింగ్ ఇనుము-ఆధారిత మిశ్రమాలు శరీరం సీలు చేయబడింది

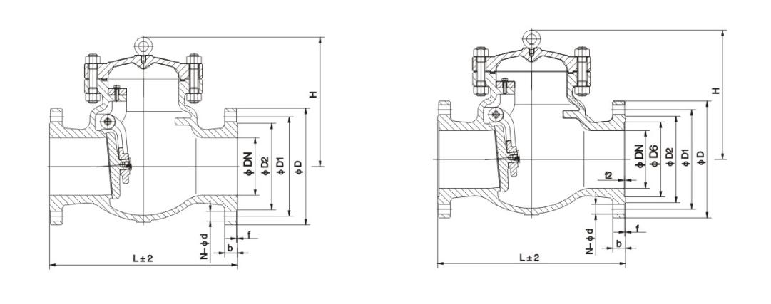
ప్రధాన ఆకారం మరియు కనెక్షన్ కొలతలు

నామమాత్రపు వ్యాసంDN ప్రధాన కొలతలు మరియు కనెక్షన్ కొలతలు
L D D1 D2 b Z-d H
H44H-16C H44W-16C H44W-16P H44W-16R H44W-16I
25 160 115 85 65 16 4-14 100
32 180 135 100 78 16 4-18 105
40 200 145 100 85 16 4-18 115
50 230 160 125 100 16 4-18 135
65 290 180 145 120 18 4-18 142
80 310 195 160 135 20 8-18 165
100 350 215 180 155 20 8-18 180
125 400 245 210 185 22 8-18 210
150 480 280 240 210 24 8-23 233
200 500 335 295 265 26 12-23 304
250 550 405 355 320 30 12-25 348
300 650 460 410 375 30 12-25 390
350 750 520 470 435 34 16-25 430
400 850 580 525 485 36 16-30 468
H44H-25 H44W-25 H44W-25P H44W-25R H44W-25I
25 160 115 85 65 16 4-14 100
32 180 135 100 78 16 4-18 105
40 200 145 110 85 16 4-18 115
50 230 160 125 100 20 4-18 160
65 290 180 145 120 22 8-18 175
80 310 195 160 135 22 8-18 185
100 350 230 190 160 24 8-23 220
125 400 270 220 188 28 8-25 248
150 480 300 250 218 30 8-25 276
200 550 360 310 278 34 12-25 350
250 650 425 370 332 36 12-30 410
300 750 485 430 390 40 16-30 430
350 850 550 490 448 44 16-34 518
400 950 610 550 505 48 16-34 560

నిర్మాణ చిత్రం

హాట్ ట్యాగ్‌లు: స్వింగ్ చెక్ వాల్వ్, చైనా, అనుకూలీకరించిన, నాణ్యత, మన్నికైన, అధునాతన, తయారీదారు, సరఫరాదారు, ఫ్యాక్టరీ, స్టాక్‌లో
విచారణ పంపండి
సంప్రదింపు సమాచారం
  • చిరునామా

    No.1, నార్త్ 1వ రోడ్, స్టెయిన్‌లెస్ స్టీల్ న్యూ టౌన్, లెకాంగ్ స్టీల్ వరల్డ్ వెస్ట్ రోడ్, షుండే డిస్ట్రిక్ట్, ఫోషన్ సిటీ, గ్వాంగ్‌డాంగ్ ప్రావిన్స్, చైనా

  • ఇ-మెయిల్

    jinqiufamen@gmail.com

గేట్ వాల్వ్‌లు, గ్లోబ్ వాల్వ్‌లు మరియు చెక్ వాల్వ్‌లు లేదా ధరల జాబితా గురించిన విచారణల కోసం, దయచేసి మీ ఇమెయిల్‌ను మాకు పంపండి మరియు మేము 24 గంటలలోపు టచ్‌లో ఉంటాము.

X
మీకు మెరుగైన బ్రౌజింగ్ అనుభవాన్ని అందించడానికి, సైట్ ట్రాఫిక్‌ను విశ్లేషించడానికి మరియు కంటెంట్‌ను వ్యక్తిగతీకరించడానికి మేము కుక్కీలను ఉపయోగిస్తాము. ఈ సైట్‌ని ఉపయోగించడం ద్వారా, మీరు మా కుక్కీల వినియోగానికి అంగీకరిస్తున్నారు. గోప్యతా విధానం
తిరస్కరించు అంగీకరించు